CA88¹É·ÝÉÕ½á»úÓàÈȹøÂ¯¹¤ÒÕÁ÷³ÌºÍÌØµã
1¡¢¡¢¡¢¹¤ÒÕÁ÷³Ì
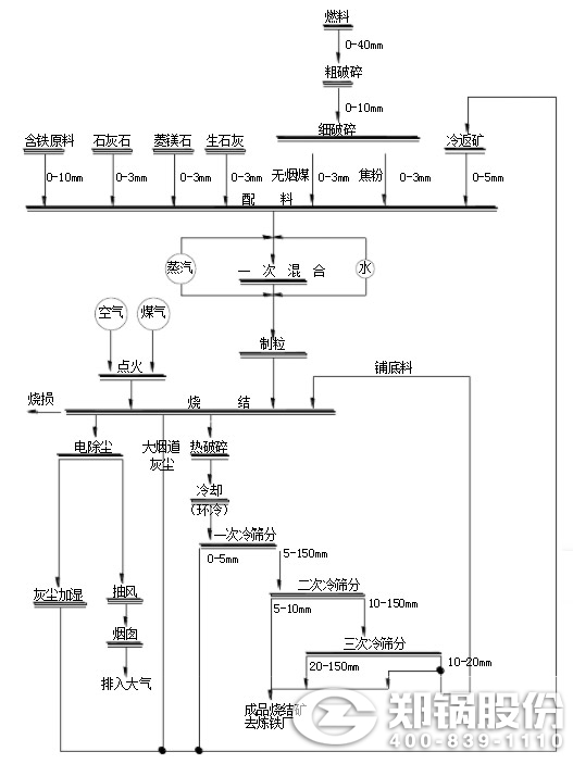
Éս᳧¹¤ÒÕÁ÷³ÌÊÇ´ÓÖÊÁϽø³§µ½ÖÆÆ·Êä³ö,°üÀ¨ÌúÁÏ¡¢¡¢¡¢ÈÛ¼Á¡¢¡¢¡¢È¼ÁϵĽÓÊÜ¡¢¡¢¡¢ ȼÁÏÆÆËé¡¢¡¢¡¢ÅäÁÏ¡¢¡¢¡¢»ìÏý¡¢¡¢¡¢ÖÆÁ£¡¢¡¢¡¢Éսᡢ¡¢¡¢ÀäÈ´¡¢¡¢¡¢ÕûÁ£¼°ÖÆÆ·ÉÕ½á¿óÊä³öµÈËùÓй¤ÒÕÀú³Ì¡£¹¤ÒÕÁ÷³Ì¼ûͼ1¡£

¹¤ÒÕÁ÷³Ìͼ1
2 ¹¤ÒÕÌØµã
Ö÷Òª¹¤ÒÕÌØµãÈçÏ£º£º£º
(1) ½ÓÄÉΦ750³700¶Ô¹õÆÆËé»ú¼°Φ900³700ËĹõÆÆËé»ú×é³ÉµÄ¿ªÂ·ÆÆËéϵͳ£º£º£º°ü¹ÜËĹõÆÆËé»úµÄ¸øÁÏÁ£¶ÈÏàÒË£¬£¬£¬ÇÒÄÜÑØ¹õÃæ¿í¶ÈÔȳƸøÁÏ£¬£¬£¬´Ó¶ø¿ÉÒÔ»ñµÃ3¡«0mmÁ£¼¶º¬Á¿µÖ´ï90¡«95%µÄȼÁÏ£¬£¬£¬Öª×ãÉÕ½áÉú²úËùÐè;ͬʱ£¬£¬£¬Ò²Ë³Ó¦Ê¹ÓÃÀ´ÁÏÁ£¶È½Ï´ÖµÄȼÁÏ¡£
(2) ½ÓÄÉ×Ô¶¯ÖØÁ¿ÅäÁÏ£º£º£ºÖÖÖÖÖÊÁϾù×ÔÐÐ×é³É±Õ»·¶¨Á¿µ÷Àí£¬£¬£¬ ÔÙͨ¹ý×ÜÉ趨ϵͳÓëÂß¼¿ØÖÆÏµÍ³£¬£¬£¬×é³É×Ô¶¯ÖØÁ¿ÅäÁÏϵͳ¡£ÆäÌØµãÊÇ×°±¸ÔËÐÐÆ½ÎÈ¡¢¡¢¡¢¿É¿¿£¬£¬£¬ÅäÁϾ«¶È¸ß£¬£¬£¬Ê¹ÉÕ½á¿ó¼°¸ñÂÊ¡¢¡¢¡¢Ò»¼¶Æ·ÂʾùÓнϴó·ù¶ÈÌá¸ß£¬£¬£¬Í¬Ê±¿ÉïÔÌÉÕ½áȼÁϺÄÁ¿£¬£¬£¬½µµÍ¸ß¯½¹±È¡£
(3) ½ÓÄɺñÁϲãÉսᣬ£¬£¬½«½µµÍȼºÄ¼°ÉÕ½á¿óÖеÄFeOº¬Á¿£¬£¬£¬Ìá¸ßÉÕ½á¿óÇ¿¶È¡£
(4) ½ÓÄÉ´®Áª3̨ÍÖÔ²Õñ¶¯É¸ÕûÁ£É¸·ÖÁ÷³Ì¡£¸ÃÁ÷³ÌµÄÌØµãÊÇ£º£º£º
a) Á÷³Ì¼òÆÓ£¬£¬£¬°²ÅŽô´Õ£¬£¬£¬ÔÚÒ»¸ö³§·¿ÄÚ¼´¿ÉÍêÓñ³É²¿Àä¿óɸ·Ö×÷Òµ£¬£¬£¬Õ¼µØÉÙ£¬£¬£¬Ê¡Í¶×Ê£¬£¬£¬Ê¡Ö°Ô±;
b) ÉÕ½á¿óתÔË´ÎÊýïÔÌ£¬£¬£¬Àä·µ¿óÁ¿½µµÍ;
c) Ä¥Á·Àû±ã;
d) ¸üÖ÷ÒªµÄÊÇ5mmɸ¿×ɸ°åÒòÊÜ´ó¿éÉÕ½á¿ó¹¥»÷£¬£¬£¬»ù±¾²»¹£Èû¡£
(5) ½ÓÄÉË«²ãж»Ò·§——½º´ø»ú´¦Àí´óÑ̵À»Ò³¾£¬£¬£¬Ë³Ó¦¶¬¼¾ÑϺ®µØÇøÉú²ú¡£
(6) С¸ñÉ¢ÁÏ×÷ÎªÖÆÆ·£¬£¬£¬¼ÓÈëÕûÁ££¬£¬£¬Ìá¸ßÁËÉÕ½á¿óÖÆÆ·ÂÊ¡£
CA88ÉÕ½áÀäÈ´»úÓàÈȹøÂ¯ÊÇÊÊÓÃÓÚ¸ÖÌúÐÐÒµÉÕ½áÀäÈ´»úÓàÈÈÑÌÆøµÄÁ¢Ê½ÓàÈȹøÂ¯£¬£¬£¬Àֳɽâ¾öÁËÀ§ÈÅÓàÈȹøÂ¯µÄ»ý»Ò¡¢¡¢¡¢Ä¥Ë𡢡¢¡¢Â©·çµÈÎÊÌ⣬£¬£¬Äܹ»½µµÍÉսṤÐòÄܺ쬣¬£¬Ôö½øÄÜÔ´½ÚÔ¼£¬£¬£¬½µµÍ²úÆ·µ¥Î»¼ÛÇ®¡£
Ïà¹Ø×ÊѶ
- ×î´ó»¯ÄÜԴʹÓ㺣º£ºCA88²£Á§Ò¤ÓàÈȹøÂ¯µÄÂÌÉ«ÄÜÔ´½â¾ö·½°¸
- CA88²£Á§Ò¤ÓàÈȹøÂ¯£º£º£º½«·ÏÈÈת»¯ÎªÃû¹ó×ÊÔ´µÄ¸ßЧʹÓÃ
- ²£Á§Ò¤ÓàÈȽÓÄÉÐèÒª½â¾öÄÄЩÄÑÌâ
- ²£Á§Ò¤ÓàÈȹøÂ¯µÄάÐÞ±£Ñø
- ²£Á§Ò¤ÓàÈȹøÂ¯µÄÑ¡ÐÍ
- ÌáÖÊÔöЧ£¡CA88»Ø×ªÒ¤ÓàÈȹøÂ¯´ó·ÅÒì²Ê
- Ì¼ËØìÑÉÕ¯ÓàÈȹøÂ¯¶¨ÖƳ§¼ÒÍÆ¼ö_CA88¹É·Ý
- ËíµÀÒ¤ÓàÈȽÓÄɹøÂ¯ÔõÑù·¢µç
- º£ÄÚ´óÐÍÓàÈȽÓÄɹøÂ¯³§¼Ò_ȨÍþÍÆ¼ö¹øÂ¯³§¼Ò
- Ò»ÎÄÆÊÎö | CA88¹É·ÝÓàÈÈ·¢µç¹øÂ¯ÐÐÒµÓ¦Óá°È«Í¼¼ø¡±







